7.2 屋面积雪分布系数
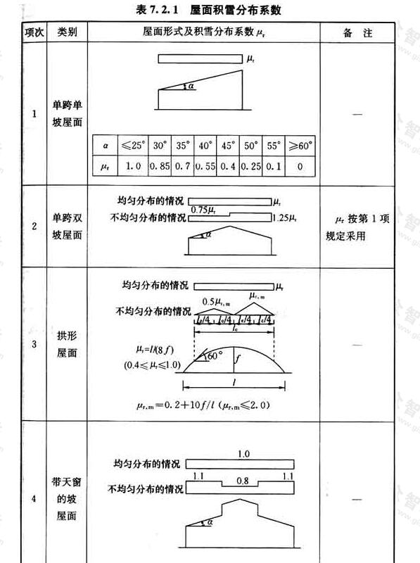
7.2.1 屋面积雪分布系数应根据不同类别的屋面形式,按表7.2.1采用。



7.2.2 设计建筑结构及屋面的承重构件时,应按下列规定采用积雪的分布情况:
1 屋面板和檩条按积雪不均匀分布的最不利情况采用;
2 屋架和拱壳应分别按全跨积雪的均匀分布、不均匀分布和半跨积雪的均匀分布按最不利情况采用;
3 框架和柱可按全跨积雪的均匀分布情况采用。
条文说明
7.2 屋面积雪分布系数
7.2.1 屋面积雪分布系数就是屋面水平投影面积上的雪荷载Sh与基本雪压So的比值,实际也就是地面基本雪压换算为屋面雪荷载的换算系数。它与屋面形式、朝向及风力等有关。
我国与前苏联、加拿大、北欧等国相比,积雪情况不甚严重,积雪期也较短。因此本规范根据以往的设计经验,参考国际标准ISO 4355及国外有关资料,对屋面积雪分布仅概括地规定了典型屋面积雪分布系数,现就这些图形作以下几点说明:
1 坡屋面
我国南部气候转暖,屋面积雪容易融化,北部寒潮风较大,屋面积雪容易吹掉。
本次修订根据屋面积雪的实际情况,并参考欧洲规范的规定,将第1项中屋面积雪为0的最大坡度α由原规范的50°修改为60°,规定当a≥ 60°时μr=0;规定当α≤25°时μr=1;屋面积雪分布系数μr的值也作相应修改。
2 拱形屋面
原规范只给出了均匀分布的情况,所给积雪系数与矢跨比有关,
,规定μr不大于1.0及不小于0.4。
本次修订增加了一种不均匀分布情况,考虑拱形屋面积雪的飘移效应。通过对拱形屋面实际积雪分布的调查观测,这类屋面由于飘积作用往往存在不均匀分布的情况,积雪在屋脊两侧的迎风面和背风面都有分布,峰值出现在有积雪范围内(屋面切线角小于等于60°)的中间处,迎风面的峰值大约是背风面峰值的50%。增加的不均匀积雪分布系数与欧洲规范相当。
3 带天窗屋面及带天窗有挡风板的屋面
天窗顶上的数据0.8是考虑了滑雪的影响,挡风板内的数据1.4是考虑了堆雪的影响。
4 多跨单坡及双跨(多跨)双坡或拱形屋面
其系数1.4及0.6则是考虑了屋面凹处范围内,局部堆雪影响及局部滑雪影响。
本次修订对双坡屋面和锯齿形屋面都增加了一种不均匀分布情况(不均匀分布情况2),双坡屋面增加了一种两个屋脊间不均匀积雪的分布情况,而锯齿形屋面增加的不均匀情况则考虑了类似高低跨衔接处的积雪效应。

查,高低屋面堆雪集中程度远次于西伯里亚地区,形成三角形分布的情况较少,一般高低屋面处存在风涡作用,雪堆多形成曲线图形的堆积情况。本规范将它简化为矩形分布的雪堆,μr取平均值为2.0,雪堆长度为2h,但不小于4m,不大于8m。

图5 高低屋面处雪堆分布图示
本次修订增加了一种不均匀分布情况,考虑高跨墙体对低跨屋面积雪的遮挡作用,使得计算的积雪分布更接近于实际,同时还增加了低跨屋面跨度较小时的处理。
的取值主要参考欧洲规范。
这种积雪情况同样适用于雨篷的设计。
6 有女儿墙及其他突起物的屋面
本次修订新增加的内容,目的是要规范和完善女儿墙及其他突起物屋面积雪分布系数的取值。
7 大跨屋面
本次修订针对大跨屋面增加一种不均匀分布情况。大跨屋面结构对雪荷载比较敏感,因雪破坏的情况时有发生,设计时增加一类不均匀分布情况是必要的。由于屋面积雪在风作用下的飘移效应,屋面积雪会呈现中部大边缘小的情况,但对于不均匀积雪分布的范围以及屋面积雪系数具体的取值,目前尚没有足够的调查研究作依据,规范提供的数值供酌情使用。
8 其他屋面形式
对规范典型屋面图形以外的情况,设计人员可根据上述说明推断酌定,例如天沟处及下沉式天窗内建议μr=1.4,其长度可取女儿墙高度的(1.2~2)倍。
7.2.2 设计建筑结构及屋面的承重构件时,原则上应按表7.2.1中给出的两种积雪分布情况,分别计算结构构件的效应值,并按最不利的情况确定结构构件的截面,但这样的设计计算工作量较大。根据长期以来积累的设计经验,出于简化的目的,规范允许设计人员按本条文的规定进行设计。
- 上一节:7.1 雪荷载标准值及基本雪压
- 下一节:8 风荷载