6.8 大电流冲击适应性试验
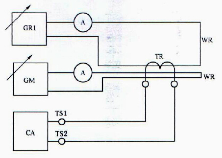
将试样按图3所示与试验设备连接,按表2规定的主回路额定工作电流值施加相应的瞬态冲击电流,持续时间0.2s,间隔30s重复测试,共5次。测试结束后立即按6.2、6.3规定的方法对试样进行性能试验。
GR1——剩余电流发生器;
GM ——主回路电流源;
A ——电流表;
WR ——电流导线;
TR ——探测器;
CA ——电气火灾监控设备;
TS1、TS2——信号输人端。
图3 大电流冲击适应性试验
说明:
GR1——剩余电流发生器;
GM ——主回路电流源;
A ——电流表;
WR ——电流导线;
TR ——探测器;
CA ——电气火灾监控设备;
TS1、TS2——信号输人端。
- 上一节:6.7 平衡性试验
- 下一节:6.9 绝缘电阻试验