6.2 基本功能试验
6.2.1 试验步骤
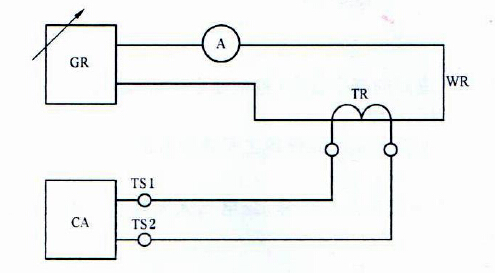
6.2.1.1 将试样按图1所示与试验设备连接,调节电流源GR,使电流表A的读数小于试样报警设定值的95%,保持1min,观察并记录试样工作情况。调节电流源GR,使电流表读数以不大于每秒0.2倍试样报警设定值的速率增加,记录试样发出报警信号的电流读数,定为试样的报警值。
说明:
GR——剩余电流发生器;
A——电流表;
WR——剩余电流导线;
TR——探测器;
CA——电气火灾监控设备
TS1、TS2——信号输入端。
6.2.1.2 调节电流源GR,使电流表A的读数为试样的报警设定值的105%,保持60s,记录试样报警时间。
6.2.1.3 对于具有实时显示剩余电流值的试样,检查剩余电流显示值与实测值的误差。
6.2.1.4 对于外接剩余电流传感器的试样,设置与传感器之间的连接线的断路和短路故障,检查故障信号的传送情况。
6.2.1.5 检查试样的报警设定值的设置情况。
6.2.1.6 采用剩余电流互感器的试样,按附录A的要求检验剩余电流互感器。
6.2.2 试验设备
剩余电流发生器GR应能在导线WR中产生50Hz,0.02A〜1A的可变交流电流,最小变化量不大于1mA。电流表A应采用精度至少为0.5级的指针式仪表,或读数为50mA时基本误差不大于0.5mA的数字式仪表。
6.2.1.1 将试样按图1所示与试验设备连接,调节电流源GR,使电流表A的读数小于试样报警设定值的95%,保持1min,观察并记录试样工作情况。调节电流源GR,使电流表读数以不大于每秒0.2倍试样报警设定值的速率增加,记录试样发出报警信号的电流读数,定为试样的报警值。
图1 探测器报警性能试验示意图
GR——剩余电流发生器;
A——电流表;
WR——剩余电流导线;
TR——探测器;
CA——电气火灾监控设备
TS1、TS2——信号输入端。
6.2.1.2 调节电流源GR,使电流表A的读数为试样的报警设定值的105%,保持60s,记录试样报警时间。
6.2.1.3 对于具有实时显示剩余电流值的试样,检查剩余电流显示值与实测值的误差。
6.2.1.4 对于外接剩余电流传感器的试样,设置与传感器之间的连接线的断路和短路故障,检查故障信号的传送情况。
6.2.1.5 检查试样的报警设定值的设置情况。
6.2.1.6 采用剩余电流互感器的试样,按附录A的要求检验剩余电流互感器。
6.2.2 试验设备
剩余电流发生器GR应能在导线WR中产生50Hz,0.02A〜1A的可变交流电流,最小变化量不大于1mA。电流表A应采用精度至少为0.5级的指针式仪表,或读数为50mA时基本误差不大于0.5mA的数字式仪表。
- 上一节:6 试验
- 下一节:6.3 监控报警功能试验