主页
>
规范
>
山东-超细干粉灭火系统技术规范_地方标准格式审查稿
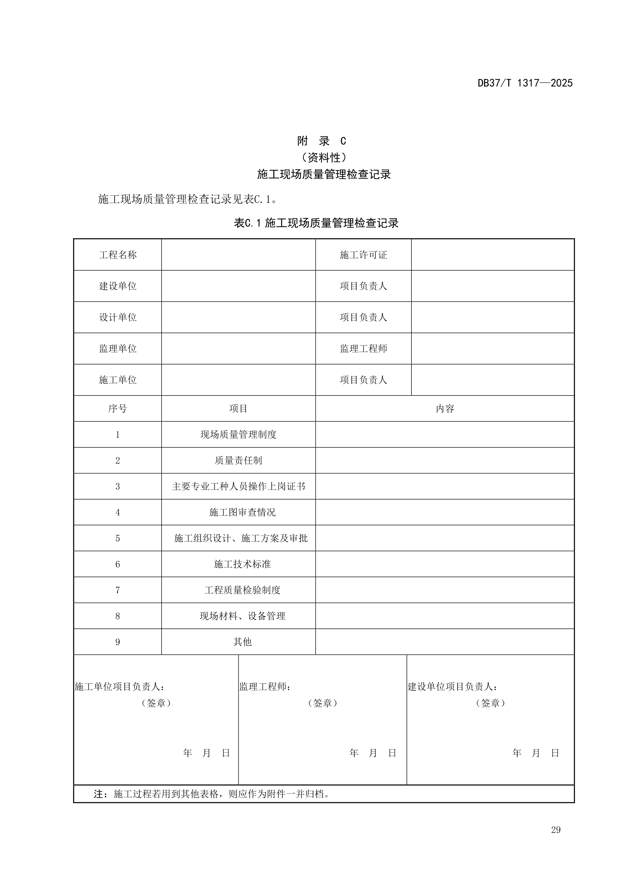
附 录 C (资料性) 施工现场质量管理检查记录
上一节:
附 录 B (规范性) 管网分支结构
下一节:
附 录 D (资料性) 施工过程检查记录
目录导航
更多
封面
目 次
前 言
1 范围
2 规范性引用文件
3 术语和定义
4 系统设计
5 管网计算
6 系统组件
7 控制与操作
8 安全要求
9 系统安装
10 系统调试
11 系统验收
12 维护管理
附 录 A (规范性) 管道规格及支架间距
附 录 B (规范性) 管网分支结构
附 录 C (资料性) 施工现场质量管理检查记录
附 录 D (资料性) 施工过程检查记录
附 录 E (规范性) 试验方法
附 录 F (资料性) 超细干粉灭火系统工程验收记录
附 录 G (资料性) 超细干粉灭火系统维护检查记录