附录E 贮水容器试验程序及样品数量
E.1 试验程序说明
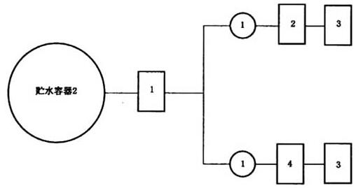
E.1.1 试验序号如下:
1) 外观检查(7.1);
2) 温度循环试验(7.4);
3) 电火花检漏试验(7.7);
4) 压力循环试验(7.8)。
E.1.2 说明如下:
1) 上述试验序号在图E.1中用方框中的数字表示;
2) 圆圈中的数字为试验所需的样品数。
E.2 试验程序图
试验程序见图E.1。

图E.1 贮水容器试验程序图
- 上一节:附录D 贮水瓶组试验程序及样品数量
- 下一节:附录F 安全泄放装置试验程序及样品数量