主页
>
规范
>
07CJ03-1_轻钢龙骨石膏板墙_建筑专业图集
表2 轻钢龙骨产品规格表
上一节:
表1 纸面石膏板产品规格及主要性能表
下一节:
表3 构造体系配套材料表
目录导航
更多
目录
总说明
表1 纸面石膏板产品规格及主要性能表
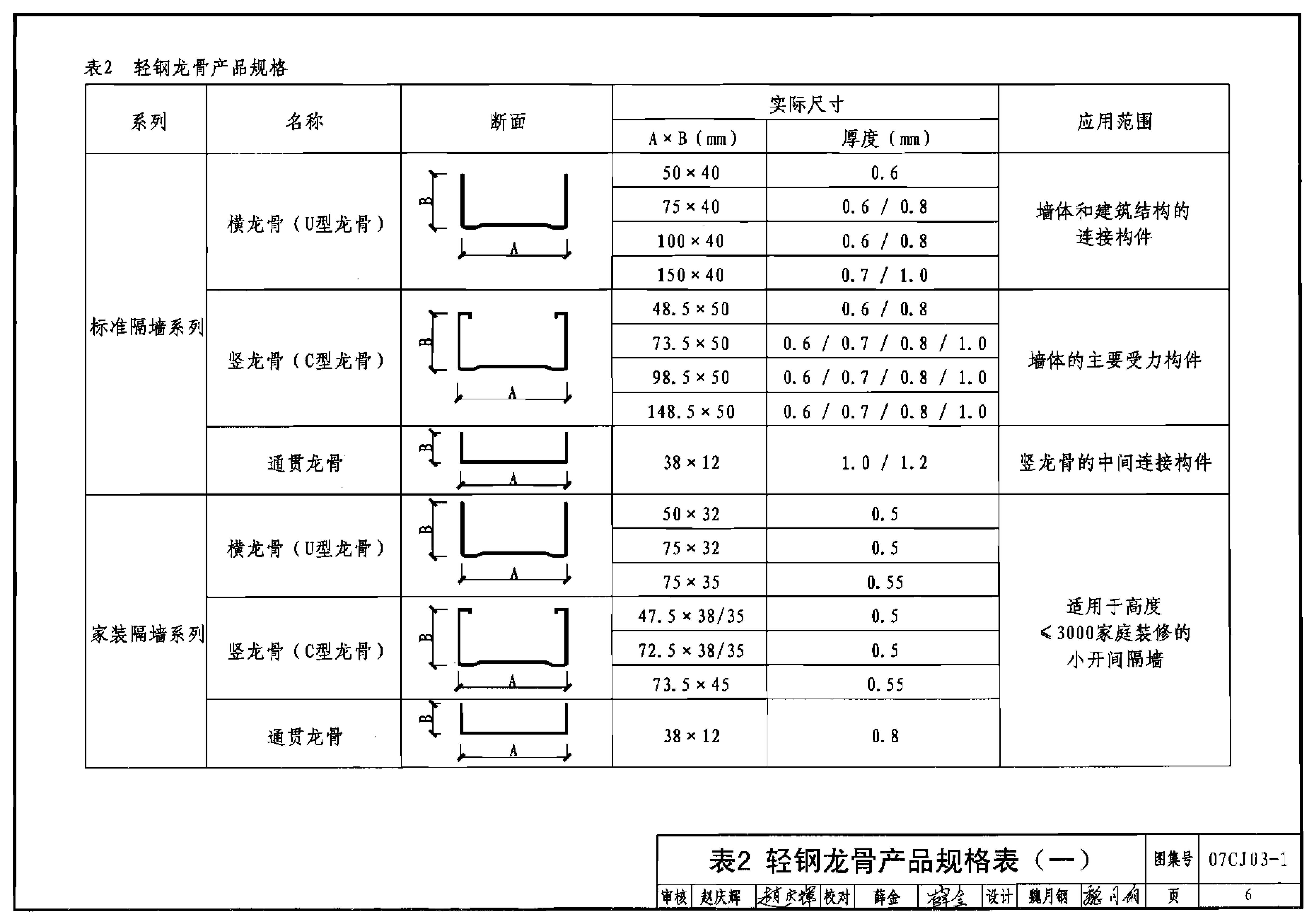
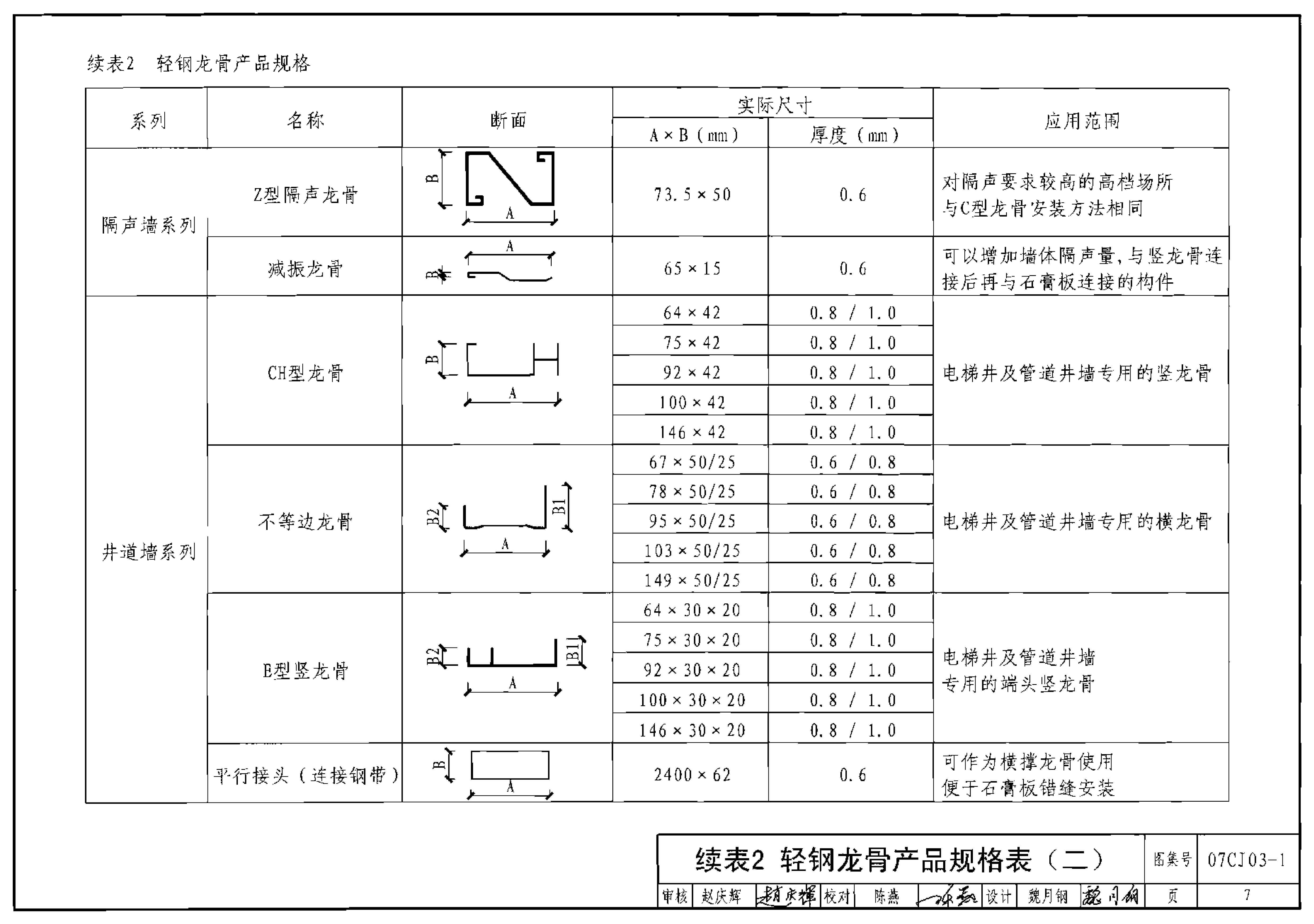
表2 轻钢龙骨产品规格表
表3 构造体系配套材料表
隔墙施工说明
表4 隔墙系统选用表
表5 井道墙系统选用表
表6 0.6厚轻钢龙骨隔墙限制高度表
表7 0.8厚轻钢龙骨隔墙限制高度表
表8 1.0厚轻钢龙骨隔墙限制高度表
表9 0.8厚CH轻钢龙骨井道墙限制高度表
表10 1.0厚CH轻钢龙骨井道墙限制高度表
表11 隔墙体系材料配比表
平面索引图
剖面索引图
隔墙龙骨布置立面示意图
隔墙安装示意
石膏板接缝处理
阴角、阳角及穿管道做法
T形、L形、十字形及端墙节点
隔墙与其它墙体的连接节点
与木门框连接构造
门口加强及龙骨接长示意
门窗洞口龙骨加强构造
吊挂物构造做法
玻璃、台面等与墙体固定做法
盆架固定、便槽、浅水池做法
暗装管线、风口、插座做法
卫生间隔墙及包风道、管道隔墙做法
伸缩缝构造做法
滑动连接节点
内隔墙异形连接节点
曲面墙组合示意图
管道井、电梯井井道构造做法
隔声墙安装示意
隔声墙与主体结构节点
隔声墙组合示意图
内隔墙与吊顶构造
隔声墙与主体结构连接节点
隔墙与地面连接节点
贴面墙U型固定夹系统示意图
贴面墙U型固定夹系统节点
贴面墙粘贴法系统示意图
贴面墙粘贴法系统节点
装饰板组合隔墙构造
吊顶施工说明
表12 吊顶系统选用表
表13 轻钢龙骨吊顶组合系列表
吊顶次龙骨平面布置图
U1吊顶平面布置图
U1吊顶详图
U2、U3吊顶平面布置图
U2吊顶详图
U3吊顶详图
U4吊顶平面布置图及详图
U5、U6吊顶平面布置图
U5、U6吊顶详图
折线型吊顶平、剖面图
折线型吊顶 详图
跌级吊顶龙骨平面布置图
跌级吊顶详图
吊顶石膏板靠墙缝构造做法
吊顶窗帘盒安装构造做法
吊顶伸缩缝构造做法
吊顶灯具安装
吊顶灯槽带剖面(示例)
吊顶条形风口安装
吊顶方、圆形风口安装
不上人吊顶检修孔
上人吊顶检修孔
轻钢吊顶马道
角钢吊顶马道
吸声板吊顶平面布置图
T1吊顶详图
T2吊顶详图
主编单位、联系人及电话