第一章 建筑分类和耐火等级
1.1 建筑高度和定性
1.1.1 《建筑设计防火规范》GB 50016-2014(2018年版)(以下简称《建筑设计防火规范》)附录A“建筑高度和建筑层数的计算方法”中,“室内高度”应按建筑层高计算;“室内顶板面高出室外设计地面的高度不大于1.5m的地下或半地下室”“设置在建筑底部且室内高度不大于2.2m的自行车库、储藏室、敞开空间”可累计不计入层数,对于住宅建筑可累计不计入建筑高度。
〔说明〕新建住宅建筑应按实际建筑高度计算后,确定其消防设计要求。例如,当按照《住宅项目规范》设计的住宅层高超过3m时,9层住宅的建筑高度将超过27m,18层住宅的建筑高度将超过54m。
1.1.2 建筑屋面为坡屋面时,建筑高度应按建筑室外设计地面至檐口(按照建筑外墙面起坡处起算)与屋脊的平均高度(H1)或建筑室外设计地面至屋顶最高使用夹层的楼面的高度(H2)取较大值。(附图1.1.2)

附图1.1.2 坡屋顶建筑高度计算
〔说明〕本次修订删除了《指南(2020版)》第1.1.2条内容。鉴于空间较高的闷顶层后续多存在会被利用的潜在风险,新建工程的闷顶空间应按国家和浙江省相关规定计算高度和层数。既有建筑改造时建筑高度认定确有困难时,应进行专项分析研究,提出合理的方案。本条中坡屋面下方的使用夹层为可利用的功能空间,非闷顶。商业服务网点为坡屋面时的建筑高度计算应按本《指南》第9.5.1条执行。
1.1.3 住宅建筑单元平-坡结合的屋面,应按照最高屋面计算建筑高度,当平屋顶部分占屋面面积(按照建筑外墙面起坡处投影线起算围合面积)不大于1/4的,可按第1.1.4条规定计算建筑高度。(附图1.1.3)

附图1.1.3 平-坡结合屋顶建筑高度计算
1.1.4 建筑屋面坡度不大于3% 时,建筑高度计算时,屋面面层算至靠外墙处的屋面最低点。工业建筑和公共建筑(含商业和住宅组合建筑)屋面面层算至屋面的建筑完成面(包含绿化层、保温层等屋面构造厚度);住宅(含设置商业服务网点的住宅)屋面面层可算至屋面结构板面。(附图1.1.4)

附图1.1.4 屋面面层计算
1.1.5 建筑高度超过24m的单层厂房可按单层厂房设计。
1.1.6 除《建筑防火通用规范》GB 55037-2022(以下简称《建筑防火通用规范》)《建筑设计防火规范》等国家标准、本《指南》中明确为“不开设门窗洞口的防火墙”“防火墙不能用防火卷帘、防火分隔水幕等措施替代”以及设于防火间距不限处的防火墙外,其余涉及 防火墙 的开口部位,均可按规范要求采用甲级防火门(窗)、符合《建筑设计防火规范》第6.5.3条规定的特级防火卷帘等防火分隔措施。
除特别注明外,本《指南》条文中涉及设置“防火分隔措施”,指“耐火极限不低于2.00h的防火隔墙、乙级防火门(窗)、符合《建筑设计防火规范》第6.5.3条规定的防火卷帘和耐火极限不低于1.50h的不燃性楼板。
〔说明〕《指南(2020版)》第3.4.1条调整至此并增加对防火分隔措施的描述。
1.2 台阶式地坪
对于台阶式地坪,当位于不同高程地坪上的同一建筑无法满足分别计算各自建筑高度的条件时,应按下列原则计算建筑高度:
1.2.1 按规范需要设置环形消防车道的建筑,当其较低室外地坪和较高地坪形成环形消防车道或沿建筑的两个长边设置贯通式或尽头式消防车道时,可按较高或较低室外地坪(与应设置的消防登高操作场地的标高应一致)起算建筑高度;按规范要求受条件限制不能沿两个长边设置消防车道,实际只沿建筑的一个长边设置消防车道的建筑,其最大进深不宜大于50m,可按消防车道的相应室外地坪(与应设置的消防登高操作场地的标高应一致)起算建筑高度;其余按照《建筑设计防火规范》未要求设置消防车道的建筑,可按照实际室外地坪情况确定起算建筑高度。(附图1.2.1)

附图1.2.1 按较高的室外地坪起算建筑高度
1.2.2 低于较高地坪的房间应根据实际情况确定消防设计:
1 当按较高的室外地坪起算建筑高度时,低于较高地坪的房间地面与较高地坪的高差不小于其层高的1/3时,应按地下室进行消防设计,当建筑内部空间距外墙临空处进深不大于30m且具备自然采光通风条件时,该空间可按地上部分设置防火分区;如有部分空间进深大于30m时,与进深不大于30m的空间应采用防火墙分隔,该防火墙上需开设连通口时,应采用下沉式广场等室外开敞空间、避难走道、防火隔间或防烟前室连接,不得采用防火卷帘;(附图1.2.2-1)


附图1.2.2-1 按较高的室外地坪起算建筑高度
2 当按较高的室外地坪起算建筑高度时,低于较高地坪的房间地面与较高地坪的高差小于其层高的1/3时(从较高地坪起算为地上房间),可按地上部分进行消防设计;(附图1.2.2-2)

附图1.2.2-2 与较高地坪高差较小的房间
3 当按较低的室外地坪起算建筑高度时,低于较高地坪的房间,可按地上部分进行消防设计;但当建筑内部空间距外墙临空处进深大于30m或不具备自然采光通风条件时,该空间应按照地下室进行消防设计,且与按地上部分进行消防设计的部分之间应采取防火墙、防火门、防火卷帘分隔划为不同的防火分区。(附图1.2.2-3)


附图1.2.2-3 按较低的室外地坪起算建筑高度
〔说明〕本条第1款,主要是为解决山地酒店类项目的下挂餐厅等大空间的防火分区面积问题而进行的明确。
1.3 厂房(仓库)相关问题
1.3.1 《建筑防火通用规范》第8.1.8条第2款规定的类似用途的厂房,《建筑设计防火规范》第8.3.1条第2款规定的类似生产厂房、第8.4.1条第1款规定的类似用途的厂房和第10.3.1条第5款规定的人员密集的厂房,是指单体建筑任一生产加工车间或防火分区内,同一时间的生产、作业人数超过50人,且人均建筑面积小于20㎡的具有丙类火灾危险性的生产制造类企业的厂房和物流建筑的分拣、加工等作业区。
〔说明〕参考《重大火灾隐患判定规则》GB 35181-2025中“劳动密集型企业”的定义修订部分内容。
1.3.2 对民用爆破器材工程和烟花爆竹工程的建筑内部工艺与布置、危险品储存与运输等设计内容应当执行现行国家标准《民用爆炸物品工程设计安全标准》GB 50089和《烟花爆竹工程设计安全标准》GB 50161。上述标准中关于建筑之间的防火间距、消防车道等建筑外部的消防设计要求不应低于现行国家标准《建筑防火通用规范》GB 55037、《建筑设计防火规范》GB 50016的规定。
〔说明〕修订部分标准的名称。
1.3.3 火力发电厂的消防车登高操作场地和消防车道设置、电子工业洁净厂房、地下污水处理厂的防火分区面积控制等因特殊工艺要求无法符合《建筑防火通用规范》《建筑设计防火规范》的相关规定时,可按其行业专项的标准执行。
1.3.4 厂房各生产场所防火分区的火灾危险性类别应按《建筑设计防火规范》第3.1.2条确定。厂房各部分为独立防火分区时,可根据各自的火灾危险性类别确定各自部分的防火设计,除甲、乙类的生产场所外,可在同一幢厂房建筑内相邻布置或上下楼层布置。该厂房的防火间距等消防设计应以整幢厂房为单位按火灾危险性类别最高的防火分区定性。
〔说明〕新增条文。厂房内可能会存在不同火灾危险性等级的生产场所,当划分为不同的防火分区时,允许在一定情况下组合建造。
1.4 部分建筑、场所的消防设计定性
1.4.1 除规划部门认可按照成套住宅功能设置的建筑以外,其他宿舍楼的消防设计应符合规范有关公共建筑的规定。
公寓式办公楼应按办公楼的要求进行消防设计,公寓式酒店、酒店式公寓应按旅馆的要求进行消防设计,但上述用房与对外营业的商业场所(含营业厅、餐饮、棋牌、桑拿、足疗等)不应在同层及上下层共用疏散楼梯。
〔说明〕修订条文内容。宿舍用房的疏散设计按宿舍建筑相关规范执行。 公寓式办公和公寓式酒店、酒店式公寓的管理模式和使用模式仍有别于办公楼和旅馆、酒店,更类似于住宅功能,所以加强独立安全出口的要求。
1.4.2 无治疗功能的休养性质的月子护理中心,应按照旅馆建筑的要求进行消防设计,但疏散距离应按医疗建筑的病房部分要求执行。
无治疗功能的体检中心、美容(不含SPA、足疗)店可不按医疗建筑进行设计;有治疗功能的体检中心、美容店应按现行国家标准《建筑防火通用规范》GB 55037、《建筑设计防火规范》GB 50016中有关医疗建筑的要求进行消防设计。
〔说明〕新增部分内容。有治疗功能的上述场所(如体检中心的肠胃镜检查),一般包含有手术、麻醉等情况,人员可能处于不完全行动能力的状态,因此应按照医疗建筑的要求进行消防设计。
1.4.3 用于教学的实训楼,如技工学校中的汽车检修教室、卫生职业技术学院中的老年人护理、医学院中的模拟病房、商贸学院中的模拟酒店客房等用房,可按照教学实验建筑的要求进行消防设计。
1.4.4 保龄球、台球、棒球、蹦床、飞镖、真人CS、室内电动卡丁车场等场所属于公共娱乐场所,可不按歌舞娱乐放映游艺场所设计,与其它功能用房之间应采取防火分隔措施。
密室逃生、剧本杀等剧本经营娱乐场所,除满足现行国家标准《建筑防火通用规范》GB 55037、《建筑设计防火规范》GB 50016外,尚应按国家消防救援局 文化和旅游部文件《剧本娱乐经营场所消防安全指南(试行)》消防〔2023〕26号的规定进行设计。
〔说明〕调整文字内容,关于防火分隔措施的具体要求统一在本《指南》第1.1.6条进行明确。
1.4.5 考虑到足疗店的业态特点与桑拿浴室休息室或具有桑拿服务功能客房基本相同,其消防设计应按照歌舞娱乐放映游艺场所的要求执行。
1.4.6 歌舞娱乐放映游艺场所内设置的配套营业用房应按歌舞娱乐放映游艺场所的要求进行消防设计,配套的办公、卫生间、储藏室和建筑面积不超过100㎡的小卖部等除外。该配套用房与歌舞娱乐放映游艺场所处于同楼层不同防火分区且疏散完全独立或者处于不同楼层不同防火分区时,可按其实际功能进行消防设计。
1.4.7 监狱建筑的消防设计,《建筑设计防火规范》与《监狱建设标准》建标 139、《监狱建筑设计标准》JGJ 446 在相关规定中出现不一致情况时,可按《监狱建设标准》建标 139、《监狱建筑设计标准》 JGJ 446 执行。
1.4.8 《汽车库、修车库、停车场设计防火规范》GB 50067-2014(以下简称《汽车库、修车库、停车场设计防火规范》)第2.0.5条规定的净高为从汽车库地面计算至上部楼板底的高度。半地下汽车库的消防设计应按地下汽车库的要求执行。
1.4.9 摩托车库应按内燃机驱动的汽车库的消防设计要求执行。摩托车库应按照每40㎡折算成1个汽车车位确定其防火分类,折算时余数不足40㎡的按1个汽车车位考虑。
〔说明〕汽车库内设置或预留电动汽车充电设施时应按本《指南》第9.7.7条执行。
1.4.10 《建筑内部装修设计防火规范》GB 50222-2017第4.0.8条涉及的“无窗房间”可按照以下要求执行:
1 电影院的观众厅属于高大的室内空间场所,且一般设置有放映窗,不属于该条文规定的无窗房间范畴;
2 房间内如果安装了能够被击破的窗户、外部人员可通过该窗户观察到房间内部情况,则该房间可不被认定为无窗房间;
3 采用防火卷帘和中庭分隔的商铺,当其疏散门无可观察窗时,应认定为无窗房间。
〔说明〕本次修订补充针对中庭商铺的要求。《建筑内部装修设计防火规范》GB 50222-2017第4.0.8条“无窗房间”的认定,主要是内部装修时,从材料的燃烧性能和火灾负荷方面考虑,而《建筑设计防火规范》第8.5.4条中“无窗房间”的规定,主要是确定消防排烟方面的考虑,两者针对的不同应用场景,概念不同,要求也不同。
1.5 高层建筑与裙房
1.5.1 当高层建筑的主体投影范围内与裙房为同一防火分区时,裙房的疏散楼梯可采用封闭楼梯间;除规范另有规定外,裙房可不设置消防电梯。
〔说明〕本条针对设计、审查时在标准理解上的歧义,加以明确。“规范另有规定”如:《建筑防火通用规范》第2.2.6条、《建筑设计防火规范》第7.3.1条规定“5层及以上且建筑面积大于3000㎡的老年人照料设施”应设置消防电梯。
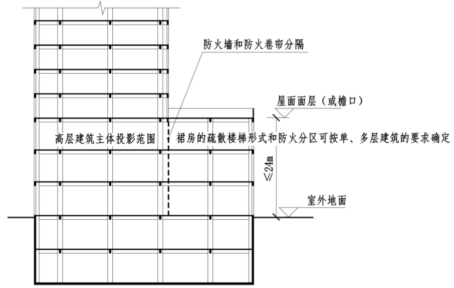
1.5.2 当裙房与主体之间在高层建筑主体投影范围外(含投影线)采取防火墙分隔时,该裙房的疏散楼梯形式和防火分区可按单、多层建筑的要求确定;当该防火墙开口部位采用甲级防火门,不采用防火卷帘替代时,该裙房的疏散距离也可按单、多层建筑的要求确定。(附图1.5.2)


附图1.5.2 裙房的疏散楼梯形式和防火分区
〔说明〕局部修订,上半条要求的“防火墙”可按照本《指南》第1.1.6条要求采用防火卷帘。
1.5.3 除住宅与其他使用功能建筑合建以外的多种功能组合的高层公共建筑下部的附属部分,当同时符合下列1~3款规定时,主体建筑与附属部分的安全疏散和消防电梯设置可根据各自的高度分别按规范执行;当附属部分同时符合下列1~4款规定时,主体建筑与附属部分的安全疏散、消防电梯和防火分区的设置可根据各自的高度分别按规范执行:(附图1.5.3) 1 与主体建筑相连且建筑高度不大于24m;
2 与主体建筑的疏散完全独立;
3 与主体建筑之间采用不开设门窗洞口(通风井道井壁不得开口,强、弱电、给排水管井井壁检修门采用甲级防火门)及无通风管道穿越的防火墙和不开设洞口(消防电梯井、上下管道井除外)且耐火极限不低于2.50h的楼板分隔;
4 与主体建筑相接处外墙上、下层开口之间的实体墙高度和两侧的门、窗、洞口最近边缘之间的实体墙宽度均不应小于4m。


附图1.5.3 多种功能组合的高层建筑下部的附属部分
1.5.4 符合本《指南》第1.5.3条的多种功能组合的高层公共建筑下部的附属部分内符合该条第2~3款的区域,可根据疏散楼梯的服务高度确定该疏散楼梯间的形式;符合该条第2~3款的建筑地下、半地下室区域,可作为地下附属部分,其安全疏散和消防电梯设置可根据自身埋深按规范执行。
〔说明〕新增条文。本条所述的区域或附属部分,在计算服务高度或自身埋深时,均应从首层疏散出口的标高算起。